第16回中学生向け理数一日体験授業報告 物理コース:電子回路つまみ食い(2012年度 高校研究紀要 第58号)
- 教科・単元、キーワード
-
- 理科
- 接続
- 探究力・活用力
- SSH(スーパーサイエンスハイスクール)
- 対話的な学び
- 主体性
- コンピテンシー
-
- 校種・学年
-
- 中学校
- 高校
- 中1
- 中2
- 中3
- 高1
- 高2
- 高3
- 校種間連携
-
- 概要
-
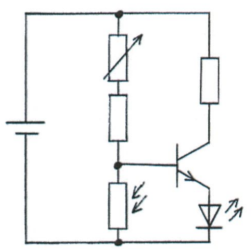
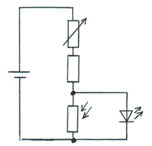
2012年度中学生向け理数体験授業:物理コースの内容および実施結果についての簡単な報告。「総合的学習の時間」(高2)で実施している回路実習の一部を中学生に体験してもらった。ブレッドボードを用い、抵抗・CdS・LED・トランジスターで回路を組み立てた。実習した回路の回路図も紹介する。
出典:2012年度 高校研究紀要 第58号, p.99-100. - コンテンツ担当者・著者
-
お茶の水女子大学附属高等学校 村井利行
- 論文・教材本文
- 第16回中学生向け理数一日体験授業報告 物理コース:電子回路つまみ食い(2012年度 高校研究紀要 第58号)
この教材を閲覧したユーザーは以下の教材も閲覧しています
- 登録日時 2018-12-25 11:37:17
- 更新日時 2025-09-25 13:46:17
- ページビュー数 750回
